产品封装流程说明
SFM8801封装形式为WLCSP封装,包含Bumping+Backend封装流程,其具有如下优点:
1. 小型化与轻薄化
Ø 尺寸最小化---WLCSP 封装后的尺寸几乎等于芯片裸片的原始尺寸。没有引线框架、塑封体、基板等额外结构,实现了“封装尺寸 ≈ 芯片尺寸”。这是目前所有封装技术中能达到的物理尺寸极限。
Ø 厚度最薄化---封装体极薄,通常只比芯片本身厚一点点(主要是凸点/焊球的高度)。这对于空间极度敏感的超薄移动设备(如智能手机、真无线耳机、超薄笔记本、可穿戴设备)是至关重要的优势。
2. 卓越的电性能
Ø 超短互连路径:信号从芯片的晶体管直接通过晶圆表面的再分布层 连接到焊球,然后直达PCB板。完全消除了传统封装中的键合线、引线框架或封装基板带来的寄生电感、电容和电阻。
Ø 低信号延迟与噪声:互连路径最短,意味着信号传输速度更快,延迟更低。更少的寄生效应带来更低的信号衰减和电源噪声。
Ø 优异的散热性能:芯片背面(硅本身)可以直接暴露在外,或涂上导热材料后直接接触散热器/外壳。热量可以最短路径从发热源(芯片)散发到外界,热阻极低,散热效率高。
SFM8801 Bumping及Backend封装流程说明如下:
晶圆Bumping封装流程

晶圆级封装Backend---芯片DPS封装流程

SFM8801采用标准的TnR编带包装出货,所用载带为行业标准宽度8mm载带,其中每卷包装10000ea产品。TnR编带包装将散装的微小电子元器件,按固定间距和方向有序地放置并封合在一条长带上,然后卷绕成盘。它不仅是运输和存储的载体,更是现代电子制造中连接元器件供应商与贴片生产线的关键桥梁。其具有以下优势:
Ø 防尘防潮:封带(通常是热封或压敏型)将元件密封在载带腔内,有效隔绝空气中的灰尘、湿气和杂质,特别对敏感元件(如IC、芯片)至关重要。
Ø 防静电(ESD):对于静电敏感器件,可以使用防静电材料(如黑色防静电载带/封带)的编带,防止元件在运输和存储过程中因静电而损坏。
Ø 防振动与防刮擦:每个元件有独立仓位,避免了元件之间的相互碰撞、摩擦和刮伤,尤其是对于有精密引脚或敏感表面的器件。
Ø 防倾倒和散落:密封包装确保元件不会在搬运过程中散出,保持顺序和完整性。
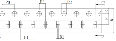
SFM8801 载带包装方向说明

载带前进方向ààà Pin 1方向
Item | W/mm | E/mm | F/mm | D0/mm | D1/mm | P0/mm | P1/mm | P2/mm |
Value | 8.0 | 1.75 | 3.5 | 1.55 | 0.3 | 4.0 | 4.0 | 2.0 |